產品動態
- 群創12.1寸 G121ICE-LM2 對比度1000:1 常
- G270QAN01.4 友達27寸 400 cd/m2 分辨率2
- G190ETT01.1 友達19寸 分辨率1280*1024
- 18.5寸G185HAT01.1 友達 對比度1000:1 分
- 友達G101EAT02.6 10.1寸 分辨率1280*800
- G156HAN02.303 友達15.6寸 對比度1000:1
- G057QAN01.1 友達5.7寸 常黑顯示 1000:1
- G238HAN04.0 友達23.8寸 常黑顯示 分辨
- 友達8.4寸 G084SAN01.0 常黑顯示 分辨
- G057QAN01.0 友達 5.7寸 500 cd/m2 常黑
全國統一服務熱線:
15382323032
客服QQ:3234659108
手機:15382323032
地址:浙江省杭州市余杭區五常街道西溪軟件園金牛座B2座4層4118-4119
12864液晶模塊的介紹
本小節的目錄:
8.1,12864液晶模塊的簡介
8.2,12864液晶模塊連接到單片機的原理圖
8.3,12864液晶模塊時序圖的分析以及程序編寫
液晶屏是一種非常能給人帶來視覺享受的東西!例如上的液晶屏,液晶電視,………,浪漫一點的還有液晶燈,以及迷人的液晶鞋,炫酷的液晶手表等等!但是不管怎么說,還是要先學會使用最簡單的液晶吧!
8.1.1)12864液晶模塊的簡介
比較常用的12864液晶模塊有黃綠背光的、藍色背光的,有帶/不帶字庫的,其控制芯片主要是KS0108、T6863、ST7920等等,這里本人所使用的為ST7920為控制芯片的JX12864K1液晶屏。但是不管用什么類型的12864,其使用操作都大同小異!當然,如果你會使用1602了,那么12864的使用也會變得事半功倍!
1)關于12864液晶模塊的說明:
1,可顯示出漢字以及圖形,內置有8192個中文漢字(16X16點陣)、128個字符(8X16點陣)以及64X256點陣顯示RAM(GDRAM),顯然是要比1602高級!
2,可以選擇8位并行或者是4位串行的操作
3,可以顯示出128列× 64行的內容,可以實現文字與圖形混合顯示功能、可以自由的去設置光標、顯示移位功能、垂直畫面旋轉功能、反白顯示功能、休眠模式等等
圖1 12864液晶模塊實物圖
2)12864液晶接口的說明:

圖2 12864的液晶接口圖
簡介上圖:
1,引腳3(VL):一般接一個103的電位器,用于調節液晶屏的顯示亮度。
2,引腳15(PSB):高電平時選擇并口,低電平時選擇串口
3,引腳16(NC):空腳即不需要接任何的管腳即可。
3)12864狀態字說明
表8-1 狀態字的分布表
|
STA7 D7 |
STA6 D6 |
STA5 D5 |
STA4 D4 |
STA3 D3 |
STA2 D2 |
STA1 D1 |
STA0 D0 |
||
| STA0~STA6 | 當前地址指針的數值 | - | |||||||
| STA7 | 讀/寫操作使能 | 1:禁止 0:使能 | |||||||
嚴格來說,對于控制器在每次進行讀寫操作之前,都必須要進行一個讀寫檢測,確保STA7是0。也即一般程序之中所謂的判斷忙操作。
8.1.2)12864液晶模塊的指令說明
表8-2基本的指令表
| 指令名稱 | 指令碼 | 指令說明 | |||||||
| D7 | D6 | D5 | D4 | D3 | D2 | D1 | D0 | ||
| 清屏 | L | L | L | L | L | L | L | H |
清屏:1、數據指針清零 2、所有顯示清零 |
| 歸位 | L | L | L | L | L | L | H | * | AC = 0,光標、畫面回HOME位 |
|
輸入方式 設置 |
L | L | L | L | L | H | ID | S |
ID=1→AC自動增一; ID=0→AC減一 S=1→畫面平移; S=0→畫面不動 |
|
顯示開 關控制 |
L | L | L | L | H | D | C | B |
D=1→顯示開;D=0→顯示關 C=1→游標顯示;C=0→游標不顯示 B=1→游標反白;B=0→光標不反白 |
| 移位控制 | L | L | L | H | SC | RL | * | * |
SC=1→畫面平移一個字符; SC=0→光標 R/L=1→右移;R/L=0→左移 |
| 功能設定 | L | L | H | DL | * | RE | * | * |
DL=0→8位數據接口; DL=1→4位數據接口 RE=1→擴充指令; RE=0→基本指令 |
|
設定 CGRAM 地址 |
L | H | A5 | A4 | A3 | A2 | A1 | A0 | 設定CGRAM地址到地址計數器(AC),AC范圍為00H~3FH需確認擴充指令中SR=0 |
|
設定 DDRAM 地址 |
H | L | A5 | A4 | A3 | A2 | A1 | A0 |
設定DDRAM地址計數器(AC) 第一行AC范圍:80H~8FH 第二行AC范圍:90H~9FH |
表8-3擴充指令表
| 指令名稱 | 指令碼 | 指令說明 | |||||||
| D7 | D6 | D5 | D4 | D3 | D2 | D1 | D0 | ||
| 待命模式 | L | L | L | L | L | L | L | H | 進入待命模式后,其他指令都可以結束待命模式 |
|
卷動 RAM 地址選擇 |
L | L | L | L | L | L | H | SR |
SR=1→允許輸入垂直卷動地址 SR=0→允許輸入IRAM地址(擴充指令)及設定CGRAM地址 |
| 反白顯示 | L | L | L | L | L | H | L | R0 | R0=1→第二行反白;R0=0→第一行反白(與執行次數有關) |
| 睡眠模式 | L | L | L | L | H | SL | L | L |
D=1→脫離睡眠模式; D=0→進入睡眠模式 |
| 擴充功能 | L | L | H | DL | * | RE | G | * |
DL=1→8位數據接口; DL=0→4位數據接口 RE=1→擴充指令集; RE=0→基本指令集 G=1→繪圖顯示開; G=0→繪圖顯示關; |
|
設定 IRAM地址 卷動地址 |
L | H | A5 | A4 | A3 | A2 | A1 | A0 |
SR=1→A5~A0為垂直卷動地址 SR=0→A3~A0為IRAM地址 |
|
設定 繪圖RAM 地址 |
H | L | L | L | A3 | A2 | A1 | A0 |
垂直地址范圍:AC6~AC0 水平地址范圍:AC3~AC0 |
| A6 | A5 | A4 | A3 | A2 | A1 | A0 | |||
8.1.3) 12864顯示坐標關系
1)漢字顯示坐標
表8-4漢字顯示坐標地址表
| 行名稱 | 列地址 | |||||||
| 第一行 | 80H | 81H | 82H | 83H | 84H | 85H | 86H | 87H |
| 第二行 | 90H | 91H | 92H | 93H | 94H | 95H | 96H | 97H |
| 第三行 | 88H | 89H | 8AH | 8BH | 8CH | 8DH | 8EH | 8FH |
| 第四行 | 98H | 99H | 9AH | 9BH | 9CH | 9DH | 9EH | 9FH |
2)繪圖坐標分布圖

圖3 12864液晶繪圖顯示坐標
水平方向有128個點,垂直方向有64個點,在更改繪圖RAM時,由擴充指令設置GDRAM地址,設置順序為先垂直后水平地址(連續2個字節的數據來定義垂直和水平地址),最后是2個字節的數據給繪圖RAM(先高8位,后低8位)。
最后總結一下12864液晶模塊繪圖的步驟,步驟如下:
1) 關閉圖形顯示,設置為擴充指令模式。
2) 寫垂直地址,分上下半屏,地址范圍為:0~31。
3) 寫水平地址,兩起始地址范圍分別為:0x80~0x87(上半屏)、0x88~0x8F(下半屏)。
4) 寫數據,一幀數據分兩次寫,先寫高8位,后寫低8位。
5) 開圖形顯示,并設置為基本指令模式。
在此說明一點,也是好多新人模糊的地方。ST7920可控制256*32點陣(32行256列),而12864液晶模塊實際的行地址只有0-31行,12864液晶的32-63行是從0-31行的第128列劃分出來的。也就是說12864的實質是“256×32”,只是這樣的屏“又長又窄”,不適用,所以將后半部分截下來,拼裝到下面,因而有了上下兩半屏之說。再通俗點說第0行和第32行同屬一行,行地址相同;第1行和第33行同屬一行,以此類推。
如果還不明白,暫時不需要深究,當會用的時候,自然而然就會明白了!
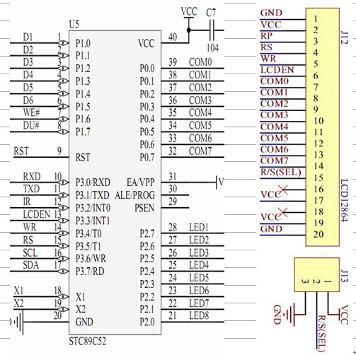
8.2)12864液晶模塊連接單片機原理圖

圖4 麥光單片機開發板中液晶連接單片機圖
有些初學者可能會問? 為什么電路圖是這樣連接的,讀者可以對照上圖2即知
接口說明:
1)液晶1、2為電源接口; 19、20為背光電源。
2) 液晶3端為液晶對比度調節端,其中連接一個10KΩ電位器來調節液晶對比度第一次使用時,在液晶上電狀態下,調節至液晶上面一行顯示出黑色小格為止。
3) 液晶4端為向液晶控制器寫數據、命令選擇端,接單片機的P3.5口。
4)液晶5端為讀、寫選擇端,接單片機的P3.4口。
5)液晶6端為使能信號端,接單片機的P3.3口。
6)液晶15端為串(L)、并(H)口選擇端,接單片機的P3.2口。
7)液晶16、18為空管腳口,在硬件上不做連接。
8)液晶7~14為8位數據端口,依次接單片機的P0口。
8.3,12864液晶模塊時序圖的分析和程序編寫
這里本人只介紹并行操作,串行操作基本留給感興趣的讀者去探索吧!
1) 并行寫操作時序圖

圖5 12864寫操作時序圖
相信看懂1602的人都很容易知道時序圖了,在此不多說
/*************************************************
函數功能: 寫命令數據到LCD
入口參數: Cmd
出口參數: void
RS=L; RW=L, E=高脈沖,D0~D7=指令碼
**************************************************/
void Write_LCD_Command(Uchar8 Cmd) // 寫命令
{
LCD_Busy_Wait(); // 忙檢測
LCD_Rs = 0;
LCD_Rw = 0;
LCD_En = 0;
P0 = Cmd;
Delay_1ms(5);
LCD_En = 1;
Delay_1ms(5);
LCD_En = 0;
}
/*************************************************
函數功能: 寫數據
入口參數: Data
出口參數: void
RS = H, RW = L, E= 高脈沖, D0~D7= 數據。
*************************************************/
void Write_LCD_Data(Uchar8 Date) // 寫數據
{
LCD_Busy_Wait(); // 忙檢測
LCD_Rs = 1;
LCD_Rw = 0;
LCD_En = 0;
P0 = Date;
Delay_1ms(5);
LCD_En = 1;
Delay_1ms(5);
LCD_En = 0;
}
以上程序的說明基本跟1602液晶是一樣的
/*******************************************************
函數功能:行列(位置)選擇,設定顯示位置
入口參數:X(行)、Y(列)
出口參數:無
******************************************************/
void lcd_pos(Uchar8 X, Uchar8 Y)
{
Uchar8 pos;
if(X ==1) {X = 0x80;} // 第一行
else if(X == 2) {X = 0x90;} // 第二行
else if(X == 3) {X = 0x88;} // 第三行
else if(X == 4) {X = 0x98;} // 第四行
pos = X+Y;
Write_LCD_Command(pos); // 顯示地址
}
由于程序太長,為了更好的編輯,本人已將剩下的程序上傳,需看可下載。
本人見過有些程序中沒有忙檢測也是可以的,但個人一直認為:加上忙檢測LCD_Busy_Wait()是非常有必要的,為什么?1,對于電子學習的一種嚴謹,培養這種意識吧 2,為日后我們使用更大,更復雜液晶的時候避免出現不必要的麻煩呀!3,一顆不嚴謹,不靠譜的心,如何給女人安全感呀?嘿嘿………..
怎么說液晶也算是有點嬌氣的東東啦!并且很多液晶價格蠻貴的!還是建議看看杭州精顯科技有關于液晶使用注意事項吧:
1.處理
(1)要避免在處理機械振動和對模塊施加外力,都可能使屏不顯示或損壞。
(2)不能用手或堅硬工具或物體接觸、按壓、磨擦顯示屏,否則屏上的偏光片被物體劃壞。
(3)如果屏破裂液晶材料外漏,液晶可以通過空氣被吸入,而且要避免液晶與皮膚接觸,如果接,觸應立即用酒精沖洗,然后再用水徹底沖洗。
(4)不能使用可溶有機體來清洗顯示屏。因為這些可溶的溶劑對偏光片不利,清洗顯示屏時,可
用棉花蘸少量石油苯輕輕擦拭或用透明膠帶粘起臟物。
(5)要防止高壓靜電產生的放電,將損壞模塊中的 CMOS 電路。
(6)不能把模塊放在溫度高的地方,尤其不能長時間放在濕度大的地方,最好把模塊放在溫度為
0℃-35℃,濕度低于 70%的環境中。
(7)模塊不能貯存在太陽直射的地方。
2.操作
(1)當電源接通時,不能組裝或拆卸模塊。
(2)在電源電壓的偏差、輸入電壓的偏差及環境溫度等最壞條件下,也不能超過最大的額定值,
否則將損壞 LCD 模塊。
最新資訊
- 2026-02-10 15.6寸LCD工業液晶屏1000高亮度屏功
- 2026-02-06 LCD10.1寸工業液晶屏常見問題:分
- 2026-02-05 精顯科技2026年春節假期安排通知
- 2026-02-05 8寸工控LCD液晶屏尺寸一樣但孔位
- 2026-02-04 TFT-LCD工業液晶屏型號后綴怎么看
- 2026-02-03 京瓷TCG057VGLGC-G50-S帶觸摸一體液晶
- 2026-02-02 LCD液晶屏觸摸屏蓋板玻璃如何選?
- 2026-01-30 LCD工業液晶屏G104系列怎么選?G104S
- 2026-01-29 LCD工業液晶屏顯示器花屏/閃屏/白
- 2026-01-28 15.6寸LCD工業液晶屏:常見接口是eD








